我的地大!  - 地大北京BBS

 找回密码
 申请帐号

QQ登录

只需一步,快速开始

查看: 7121|回复: 0

土地利用变化与人类驱动因素的相关分析

[复制链接]
发表于 2014-7-31 17:35:51 | 显示全部楼层 |阅读模式
  各种土地利用类型的面积和分布的变化受多方面因素的影响。有自然因素,例如气候或土壤条件;也有人文因素,即人类社会经济文化活动。而更为直接的影响因素是来自人类的土地利用活动。因此,对影响土地利用变化的社会经济因素及其驱动机制的分析,是了解土地利用变化机理,揭示人类对自然界的作用过程的关键。
  有的研究将人类对于环境变化的多个影响因子归结为人口、富裕程度和技术。这在一定程度上概括了人类对自然界的主要驱动因素。考虑到土地利用变化的特点,驱动因素有以下几方面:人口的绝对数量和质量及对资源的占有情况;人们对财富的拥有状况,包括粮食和收入;技术和对土地的投入,可用土地产品的数量和质量间接表示。
  1、指标提取
  基于以上分析,考虑到资料的可得性和可靠性,本文提取以下指标来表征驱动因素。
  (1)基本因素指标:是统计年鉴中对土地利用变化及其相关因素的直接描述,包括耕地面积、旱地面积、总人口数、农业人口数、粮食总产量、农业总产值和人均收入等。
  (2)组合因素指标:根据问题特点,将基本因素指标加以组合,使之具有新的意义。这包括耕地比例(耕地面积/土地总面积)、旱地比例(旱地面积/耕地面积)、人均耕地(耕地面积/总人口数)、人均粮食(粮食总产量/总人口数)、人均产值(农业总产值/总人口数)、人口密度(总人口数/国土面积)、农业人口比(农业人口数/总人口数)、单位耕地粮食产量(粮食总产量/耕地面积)和单位耕地产值(农业总产值/耕地面积)。
  将以上指标分为两组,即表述土地利用变化的指标和表述社会经济影响的指标,前者包括耕地面积、旱地面积、耕地比例、旱地比例、人均耕地、单位耕地粮食产量和单位耕地产值。其中前五个指标反映耕地的数量特征,后二者反映的是耕地的产出能力。第二组指标包括:总人口数、农业人口数、粮食总产量、农业总产值、人均收入、人均粮食、人均产值、人口密度和农业人口比。基本因素反映了所讨论的问题可能涉及的几方面内容,但是在土地利用与驱动力关系的定量研究中未必是恰当的物理量,所以两组中都既包含基本因素也包含组合因素,通过关系研究揭示各指标在驱动机制研究中的适宜性,为进一步模拟土地利用在人类驱动力作用下的演变过程提供参考。
  2、土地利用变化与社会经济影响因素的相关分析
  首先研究土地利用变化各指标与驱动因素指标的线性相关联系,计算其相关系数如表1。基于本研究所用的样本数目, 90%信度时,标准相关系数为0.36,可见,表中多数相关系数通过了检验。
QQ截图20140731162707.jpg
  由于五个耕地指标中以组合因素表示的三个涉及驱动因素,所以出现个别的相关系数偏大的情况,表中用横线加以标识。结果表明,反映耕地变化的有关指标与各驱动因素的单相关性具有如下特点:
  (1)人均耕地与人口密度和农业人口数的相关性最大,与人均产值和总产值的相关性极小;
  (2)单位耕地的粮食产量反映了耕地质量和人们对耕地的开发程度,它与各驱动因素的相关性未超过0.50,且差异较小;
  (3)单位耕地产值与人均产值相关系数为0.95,与总产值相关系数0.99,与其它因素的相关性不大; (4)耕地面积和耕地比例与各因素的相关系数基本一致,都表现为与人均粮食和人口密度相关较大;
  (5)人均产值和总产值与耕地指标的相关性普遍较小,表明农业总产值与耕地变化的联系较复杂。
  3、影响权重分析
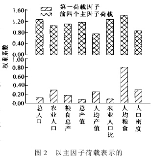
  将以上8个表征社会经济对土地利用影响的驱动因素看作一个整体,共同影响耕地的变化。可用因子分析方法,通过它们在新组合成的主因子中的荷载,评价它们在对耕地变化指标的驱动过程中的权重,即相对重要性。结果表明,前4个主因子的解释方差已达总方差的91%,而且任意将8个因素中的几个去除或添加其它因素,8个因素依荷载大小的排序不变。所以,各驱动因素在前4个主因子中的荷载完全可表明其相对重要性。图2为第一主因子荷载和前4个主因子荷载绝对值之和在各驱动因素间的差异。
2.jpg
  前4个主因子荷载表明8个驱动因素对耕地指标变化的影响差别不明显,其相对重要性依次为:人均粮食,农业人口比,总人口,总产值,粮食总产,农业人口,人口密度和人均产值,而第一主因子荷载则更突出了人均粮食的重要影响,其荷载值远大于其它驱动因素。可见,在研究地区,人口和粮食方面的因素是影响耕地变化的主要社会经济因素。
  本文摘自《喀斯特山区土地利用变化的人类驱动机制研究》更多文献及空间地理信息数据请咨询地理国情监测云平台,电话:010-84896208转898,QQ:863548516。

回复

使用道具 举报

您需要登录后才可以回帖 登录 | 申请帐号

本版积分规则

QQ|联系我们|小黑屋|手机版|Archiver|京公网安备11010802010363号|地大北京BBS ( 京ICP备08104328号-16 )

GMT+8, 2025-12-15 13:36 , Processed in 0.084454 second(s), 20 queries .

Powered by Discuz! X3.4

© 2001-2017 Comsenz Inc.

快速回复 返回顶部 返回列表